Technische Daten:
Laser Modell: EZ-WRITER UV
Durchschnittliche Leistung: 3W & 5W
Wellenlänge: 305 nm
Frequenz: 80 kHz
Luftkühlung
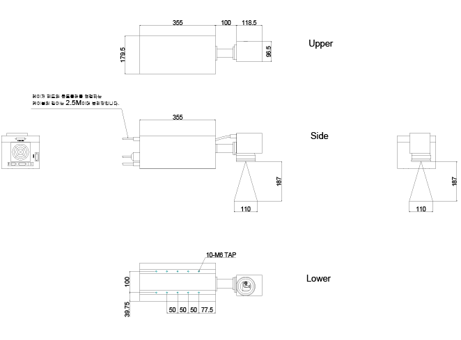
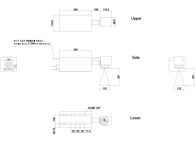
Größe: 505x482x135mm (LxBxH)
Gewicht: 28 kg
Laser Klassen Arbeitslaser @ 305nm: Klasse IV
Positionier Laser @ 305nm
Anwendungen als Integrationssystem für Fertigungslinien oder für Standartsysteme
BESCHRIFTUNGSLASER
EZ-WRITER UV
Ideal für Kunststoffe und organische Materialien
Korrosionsfreie Anlassbeschriftungen auf Edelstählen
Beschriftungslaser für Integratoren in unterschiedlichen Leistungsstufen.
Unser Lasermarkiersystem UV-WRITER wurde für die Integration in Fertigungslinien, Sondersystemen oder für Standard-Applikationen entwickelt, welche ein
UV Lasermarkiersystem benötigen.
Die Laserbeschriftung ist eine dauerhafte abriebfeste Markierung.
Insbesondere die UV-Laserbeschriftung hat eine 30-mal kürzere kurze Wellenlänge als ein CO2-Laser und eine hohe Laserstrahlqualität, die für spezielle Materialien und ultrafeine Beschriftungen erforderlich ist.
Vorteile auf einen Blick:
✓ Minimale Beschädigung des Materials
✓ Geeignet für Medizin & Pharmaindustrie
✓ Wartungsfreier UV Laser mit Luftkühlung
✓ Markierungen von Nichtmetallen und Metallen
✓ Lasersoftware FischerMARK oder JL-1000
✓ Kontrastreiche Markierungen auf Kunststoffen
✓
Unterschiedliche Leistungsstufen in 3W & 5W


